- Lamellae interstisial berbentuk tidak beraturan dan mengisi ruang di antara osteon.
- Lamellae melingkar membungkus keliling seluruh tulang.
- Lamellae konsentris berbentuk lingkaran, tersusun secara konsentris di sekitar kanal sentral setiap osteon.
5 Fakta tentang Osteon, Dapat Memelihara Jaringan Tulang

Osteon adalah unit struktural terkecil dari tulang yang terdiri dari serangkaian lapisan jaringan tulang mati yang melindungi pembuluh darah dan saraf. Terdiri dari kolagen dan kalsium fosfat, osteon memainkan peran penting dalam menjaga kekuatan tulang.
Ada beberapa fakta menarik tentang osteon yang perlu kamu tahu. Penasaran? Yuk, simak artikel di bawah ini!
1. Struktur osteon

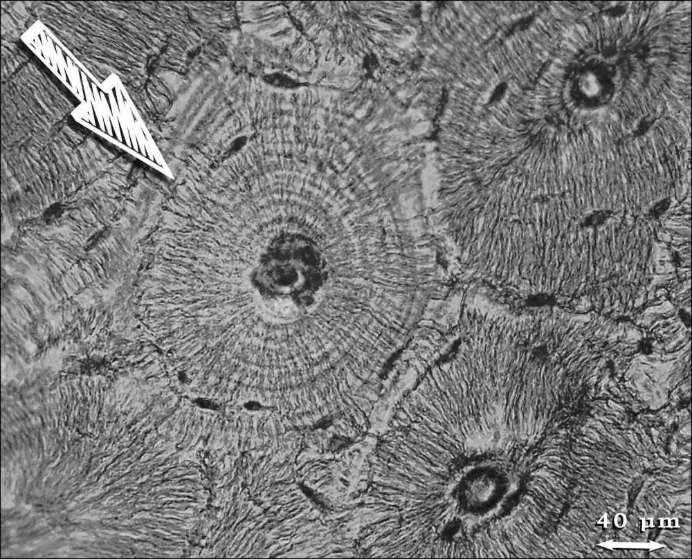
Osteon adalah struktur kompleks yang terdiri dari beberapa komponen penting. Ada pori-pori yang berisi pembuluh darah dan saraf, yang disebut kanalikuli, serta lapisan jaringan tulang mati yang disebut lamellae. Dilansir Visible Body, ada tiga jenis lamellae:
Di tengah osteon, ada lubang yang disebut lubang Haversian yang berisi pembuluh darah dan saraf utama. Osteon terlihat seperti batang pohon yang tumbuh dengan cabang-cabang kecil yang menghubungkan satu dengan yang lainnya.
2. Fungsi osteon

Osteon membentuk kerangka tubuh manusia dan melindungi organ-organ vital. Selain itu, osteon juga membantu proses pertumbuhan tulang, memperkuat tulang, dan menjaga keseimbangan kalsium dalam tubuh.
Dilansir Infinity Learn, kanal pada osteon berisi pembuluh darah dan saraf yang memasok dan memelihara jaringan tulang. Dengan demikian, tulang yang sehat sangat penting bagi kesehatan manusia.
3. Pembentukan osteon

Dilansir Britannica, proses pembentukan osteon dan kanal Haversian yang menyertainya dimulai ketika tulang anyaman yang belum matang dan osteon primer dihancurkan oleh sel besar yang disebut osteoklas. Proses selanjutnya adalah terproduksinya sel osteoblas yang memproduksi kolagen dan kalsium fosfat.
Selanjutnya, sel osteoblas akan mengeras dan membentuk lamellae. Setelah itu, sel osteoblas akan tertanam di dalam lamellae dan berubah menjadi sel osteosit. Kanalikuli kemudian membentuk jaringan tulang hidup yang berfungsi sebagai jaringan nutrisi dan penghubung antara sel-sel tulang hidup.
4. Peran osteon dalam kesehatan tulang

Osteon sangat penting untuk kesehatan tulang. Ini berfungsi sebagai unit struktural terkecil dari tulang.
Osteon yang sehat akan membantu menjaga kekuatan tulang, sehingga mencegah kerapuhan tulang dan osteoporosis. Selain itu, osteon juga berperan dalam menyimpan mineral penting seperti kalsium dan fosfor, yang membantu memperkuat tulang dan memperbaiki jaringan tulang yang rusak.
5. Gangguan kesehatan yang terkait dengan osteon

Jika terjadi gangguan kesehatan pada osteon, ini dapat mengakibatkan kerapuhan tulang dan berbagai masalah kesehatan tulang lainnya. Contohnya adalah osteoporosis.
Penyakit ini terjadi ketika kerapuhan tulang terjadi akibat berkurangnya kepadatan tulang. Osteomalasia juga merupakan masalah kesehatan yang terkait dengan osteon, yang terjadi ketika tulang menjadi lembek akibat kekurangan vitamin D.
Dalam kesimpulannya, osteon memiliki peran penting dalam menjaga kesehatan tulang manusia. Dengan mengetahui fakta-fakta tentang osteon, kita dapat lebih memahami pentingnya menjaga kesehatan tulang.



















